Skip to main content

Dados para busca de Questões

Atenção: Não é obrigatório preencher todos os campos para executar a Pesquisa.



Total de Questões Encontradas: 1.831 de 252.126
Exibindo: Página 28 de 367

Questão: 136 / QT-311422
Ano: 2017
Banca: CESGRANRIO
Órgão: Petrobras
Cargo: Técnico de Manutenção Júnior - Elétrica
Disciplina: Eletricidade

Um grupo gerador formado por um motor a diesel e um gerador síncrono trifásico encontra-se instalado em uma fábrica hipotética. Durante uma falta de energia, o grupo gerador é posto em operação e passa a fornecer à fábrica uma potência de 35 kW.


Se o rendimento do grupo gerador é 90%, o poder calorífico do diesel é de 40 MJ/kg e sua densidade é 800 kg/m3 , o volume do diesel, em litros, necessário para atender à fábrica durante 4 horas é



Questão: 137 / QT-311423
Ano: 2017
Banca: CESGRANRIO
Órgão: Petrobras
Cargo: Técnico de Manutenção Júnior - Elétrica
Disciplina: Eletricidade

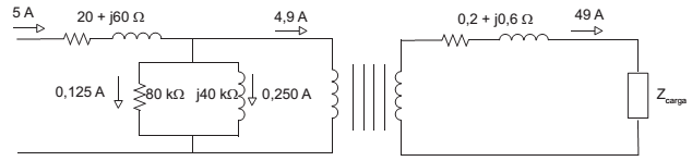
A Figura a seguir mostra o circuito equivalente de um transformador monofásico, indicando numericamente os componentes e os valores eficazes das correntes.


Imagem associada para resolução da questão


Diante do exposto, o valor das perdas do núcleo do transformador, em W, é



Questão: 138 / QT-311424
Ano: 2017
Banca: CESGRANRIO
Órgão: Petrobras
Cargo: Técnico de Manutenção Júnior - Elétrica
Disciplina: Eletricidade

O fluxo magnético, em um circuito constituído por material ferromagnético, é dado pela seguinte equação:


F(Fmm) = 2.10-6. Fmm[wb], onde Fmm é a Força Magneto- Motriz


Esse circuito magnético é constituído por 1.000 espiras percorridas por uma corrente de 20 A.


Sabendo-se que a área da seção transversal do circuito magnético é 800 cm2 , a densidade de fluxo magnético, em tesla, é



Questão: 139 / QT-311425
Ano: 2017
Banca: CESGRANRIO
Órgão: Petrobras
Cargo: Técnico de Manutenção Júnior - Elétrica
Disciplina: Eletricidade

Uma fábrica comercializa um forno elétrico, denominado forno A, monofásico, com tensão 220 V. Devido à demanda por parte de seus clientes, o fabricante produziu uma nova versão do forno A, denominada forno B, que apresenta a mesma potência do forno A, é trifásico em estrela, com tensão de linha de 220 V.


Em relação à corrente drenada pelo forno A, a corrente de linha drenada pelo forno B é



Questão: 140 / QT-311426
Ano: 2017
Banca: CESGRANRIO
Órgão: Petrobras
Cargo: Técnico de Manutenção Júnior - Elétrica
Disciplina: Eletricidade
Dentre as medidas que a segurança do trabalho em instalações elétricas estabelece, encontra-se a seguinte:



pub03

Estratégia Concursos - Estude com quem mais aprova em concursos Públicos!
Assinatura Jurídica Vitalícia: o ÚLTIMO investimento da sua vida!
Depois de 2 longos anos de espera, ela está de volta…
A oportunidade histórica de fazer o ÚLTIMO investimento da sua vida para estudar para concursos jurídicos.


Saiba mais - Clique para informações e valores deste Curso
Ao adquirir o curso por este link você estará ajudando o site VagasApp

Skip to main content